2025-06-30

数字气压传感器,如何用 "触觉" 丈量气压的安全边界?

分享到:

在万物互联浪潮席卷全球的时代背景下,数字气压传感器作为物联网环境感知层的核心硬件之一,正凭借精准、实时的数字化气压测量能力,快速消融着现实世界与数字世界之间的沟通壁垒,其不仅能为物联网终端提供与环境进行对话的“媒介语言”,还能与其他环境感知技术形成协同效应,是物联网社会实现高效沟通的基石之一。

数字气压传感器主要通过检测压敏元件在不同环境气压下的电信号变化,实现对气压的测量,并能直接输出数字信号以满足物联网终端对气压数据的传输、储存与记录等需求。

现阶段,由于数字气压传感器具备着低功耗、高精度、快速响应与线性度较好等特性,其已被广泛应用于消费电子、气象监测、辅助导航与工业表计等多个行业中。

揭秘,工业生产、日常生活中为什么要测量气压?

在人们的日常生活中,相对于温度与湿度,气压是一个较少接触的、无形无质的气候参数,那么测量气压对于普通人而言究竟有何意义呢?事实上,测量气压对日常的生活生产有着非常重要的影响,例如:

数字气压传感器测量大气压强后可通过气压短期波动以预测近期的天气变化;数字气压传感器可监测各种工业管道内的气压,预警泄漏、堵塞等故障风险;数字气压传感器还可间接计算海拔高度(基于海拔升高,气压下降的物理定律:1hPa≈8米),为登高探险人员提供可靠的高度数据与环境信息。

在实际工业生产领域中,数字气压传感器常被应用于输送管道(燃气、石油)、工业容器(锅炉、反应釜)与气动控制系统(气缸、气动阀门)等工业压力监测环节之中,以保证作业压力处于正常范围之内,确保工业生产的安全运行。

在实际户外运动领域中,登山爱好者可通过智能手表、手机、高度计等便携式电子设备中集成的数字气压传感器来测量气压,从而获取所处位置的海拔高度,并进一步得知所处位置的氧气含量下降幅度,可提前预防高原反应,实时合理地分配体力与规划路线。

HPS27W,高精度、低功耗数字气压传感器

在气象监测、工业设备运行、消费电子等多个领域中,对气压数据的采集往往伴随不同维度的需求——有的需要高精度以保障测量准确性,有的需要低功耗以适配长期运行的设备,有的需要小型化以满足便携终端的空间限制。

这些分散在不同场景中的具体要求相互交织,共同指向一个核心诉求:能够兼顾多方面性能的数字气压传感器,是支撑各类应用有效落地的重要基础。

例如,HPS27W就是一款小型化的、高精度的、低功耗的数字气压传感器,可同时提供气压测量和温度测量两种能力。

HPS27W基于电容原理,具备温度补偿能力,可在环境温度发生变化时保证气压数据的高精度。

HPS27W采用DFN小型封装技术,产品尺寸仅为2.7×2.7×1.7mm,极易集成至移动设备和可穿戴设备中。

HPS27W内部集成FIFO缓存区,最多可存储32组测量结果,可降低主机处理器轮询频率,提升设备续航能力。

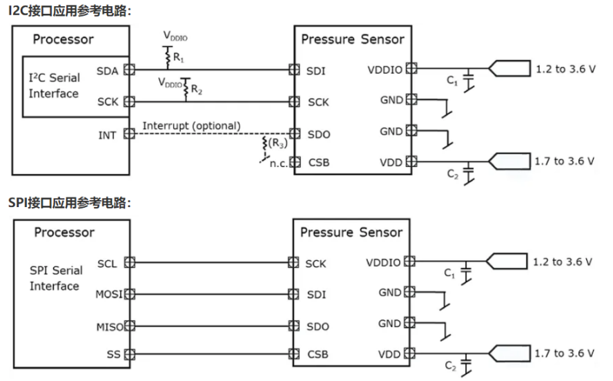
HPS27W同时支持IIC和SPI两种串行接口,并支持中断功能,可方便用户灵活选择与切换。

HPS27W支持待机、命令、后台三种运行模式与不同的测量速率、精度,可通过向传感器内部的Sensor Operating Mode and Status (MEAS_CFG)寄存器写入参数值,配置传感器的运行模式与测量速率、精度,以灵活适应多种不同的场景需求。

此外,HPS27W还是一款经过校准的传感器,包含校准系数,这些系数会(例如由主机处理器)用于补偿传感器非线性的测量结果,进而将其转换成真实的压力和温度值。

展望未来,随着科技的不断进步,数字气压传感器将会继续发挥重要作用,朝着更智能化、集成化、微型化的方向发展,为人们带来更加精准、便捷的测量体验,为环境监测、灾害预警等领域提供更加全面、准确的数据支持。

在线选型

资料下载

期待您的来电 4001-189-180

联系电话

咨询邮箱

微信公众号

TOP
联系我们